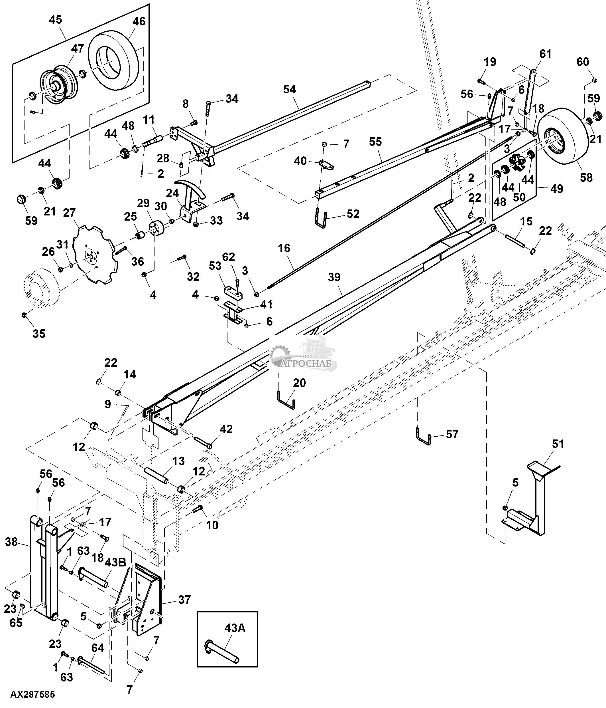
| key | PART NO. | PART NAME | QTY | SERIAL NO. | REMARKS | |
|---|---|---|---|---|---|---|
| 1 | AA75627 | Рукоять | 1 | Marker Bracket RH | ||
| AA75628 | Рукоять | Marker Bracket LH | ||||
| 2 | AA75629 | Рукоять | 1 | |||
| 3 | AA77304 | Рукоять | 1 | |||
| AA77305 | Рукоять | |||||
| 4 | AA77303 | Рукоять | 1 | |||
| 5 | 14H866 | Гайка | 1 | 5/8" | ||
| 6 | 14M7653 | Стопорная гайка | 3 | M12 | ||
| 7 | A100990 | Вилка | 1 | SUB FOR A90478 | ||
| 8 | A100992 | Болт | 1 | SUB FOR A91461 | ||
| key | PART NO. | PART NAME | QTY | SERIAL NO. | REMARKS | |
| 9 | 03M7201 | Болт | 1 | M12 X 45 | ||
| 10 | A90494 | Штифт | 1 | |||
| 11 | A100986 | Штифт | 1 | |||
| 12 | JD7842 | Смазочная арматура | 3 | |||
| 13 | A100972 | Втулка | 2 | |||
| 14 | A90417 | Втулка | 2 | |||
| 15 | ...... | Болт | 1 |
| key | PART NO. | PART NAME | QTY | SERIAL NO. | REMARKS | |
|---|---|---|---|---|---|---|
| 1 | AA77301 | Рукоять | 1 | Marker Arm, LH Illustrated | ||
| 2 | AA77527 | Рукоять | 1 | Marker Inner Arm, LH Illustrated | ||
| 3 | AA77297 | Рукоять | 1 | Marker Rod | ||
| 4 | ...... | Скоба | 1 | |||
| 5 | 14H866 | Гайка | 1 | 5/8" | ||
| 6 | A100992 | Болт | 1 | SUB FOR A91461 | ||
| 7 | 14M7653 | Стопорная гайка | 1 | M12 | ||
| 8 | A99489 | Кулиса | 1 | SUB FOR A90646 | ||
| 9 | 14M7520 | Стопорная гайка | 1 | M10 | ||
| 10 | A100995 | Болт | 1 | SUB FOR A91460 | ||
| key | PART NO. | PART NAME | QTY | SERIAL NO. | REMARKS | |
| 11 | A62717 | Пружинное кольцо | 2 | |||
| 12 | A91451 | Штифт с канавкой | 1 |
| key | PART NO. | PART NAME | QTY | SERIAL NO. | REMARKS | |
|---|---|---|---|---|---|---|
| 1 | JL163332555 | Маркер | 1 | Marker End RH , SUB FOR AA75619 | ||
| AA83390 | Рукоять | 1 | Marker End LH Illustrated, SUB FOR AA75620 | |||
| 2 | AA75630 | Рукоять | 1 | |||
| 3 | A90480 | П-образный болт | 3 | ORDER N306695 | ||
| N306695 | П-образный болт | 3 | ||||
| 4 | A99488 | Пластина | 3 | Clamping Plate, SUB FOR A90645 | ||
| 5 | 14M7653 | Стопорная гайка | 6 | M12 | ||
| 6 | A100796 | Шпиндель | 1 | SUB FOR A90644 | ||
| 7 | 19H3916 | Винт с головкой | 1 | 5/8" X 1-1/4" | ||
| 8 | AA58101 | Ступица | 1 | |||
| key | PART NO. | PART NAME | QTY | SERIAL NO. | REMARKS | |
| 9 | A72361 | Дисковый нож | 1 | |||
| 10 | A87781 | Ступица | 1 | SUB FOR A53707 | ||
| 11 | AA40362 | Опора | 1 | |||
| 12 | N164309 | Втулка | 1 | |||
| 13 | AN212132 | Шариковый подшипник | 1 | |||
| 14 | N282054 | Шайба | 1 | |||
| 15 | 14M7698 | Стопорная гайка | 1 | M16 | ||
| 16 | 24M7053 | Шайба | 2 | 17 X 30 X 3 mm | ||
| 17 | 14M7276 | Гайка | 2 | M16 | ||
| 18 | 19M8485 | Винт с головкой | 3 | M16 X 90 | ||
| key | PART NO. | PART NAME | QTY | SERIAL NO. | REMARKS | |
| 19 | 03M7246 | Болт | 4 | M10 X 60 | ||
| 20 | ...... | Болт | 4 | |||
| 21 | 14M7520 | Стопорная гайка | 4 | M10 | ||
| 22 | H135891 | Стопорная гайка | 4 |
| key | PART NO. | PART NAME | QTY | SERIAL NO. | REMARKS | |
|---|---|---|---|---|---|---|
| 1 | 19M8488 | Винт с головкой | 2 | M10 X 45 | ||
| 2 | A100661 | Амортизатор | 1 | SUB FOR A90484 | ||
| 3 | AA75621 | Опора | 1 | LH Illustrated | ||
| 4 | 14M7520 | Стопорная гайка | 4 | M10 | ||
| 5 | A100998 | П-образный болт | 1 | SUB FOR A90479 |
| key | PART NO. | PART NAME | QTY | SERIAL NO. | REMARKS | |
|---|---|---|---|---|---|---|
| 1 | AA84331 | Стойка | 1 | SUB FOR AA75625 R | ||
| AA84330 | Стойка | 1 | SUB FOR AA75626 LH | |||
| 2 | 14M7276 | Гайка | 4 | M16 | ||
| 3 | JL207164951 | П-образный болт | 2 | SUB FOR A90481 |
| key | PART NO. | PART NAME | QTY | SERIAL NO. | REMARKS | |
|---|---|---|---|---|---|---|
| 1 | 03M7201 | Болт | 4 | M12 X 45 | ||
| 2 | 11M7087 | Шплинт | 4 | 4 X 40 mm | ||
| 3 | 14H1119 | Гайка | 4 | 5/8" | ||
| 4 | 14M7274 | Гайка | 12 | M10 | ||
| 5 | 14M7276 | Гайка | 24 | M16 | ||
| 6 | 14M7517 | Стопорная гайка | 6 | M10 | ||
| 7 | 14M7653 | Стопорная гайка | 22 | M12 | ||
| 8 | 19H3916 | Винт с головкой | 2 | 5/8" X 1-1/4" | ||
| 9 | 19M7590 | Винт с головкой | 2 | M12 X 100 | ||
| 10 | 19M7759 | Винт с головкой | 16 | M16 X 60 | ||
| key | PART NO. | PART NAME | QTY | SERIAL NO. | REMARKS | |
| 11 | A100796 | Шпиндель | 2 | |||
| 12 | A100972 | Втулка | 4 | |||
| 13 | A100986 | Штифт | 2 | |||
| 14 | A100987 | Втулка | 2 | |||
| 15 | A100988 | Штифт | 2 | |||
| 16 | AA77303 | Рукоять | 2 | |||
| 17 | A100990 | Вилка | 4 | |||
| 18 | A91462 | Болт | 4 | |||
| 19 | A100995 | Болт | 2 | |||
| 20 | N318711 | П-образный болт | 2 | |||
| key | PART NO. | PART NAME | QTY | SERIAL NO. | REMARKS | |
| 21 | A12188 | Стопорная гайка | 4 | |||
| 22 | A62717 | Пружинное кольцо | 6 | |||
| 23 | A90416 | Втулка | 4 | |||
| 24 | AA40362 | Опора | 2 | |||
| 25 | AN212132 | Шариковый подшипник | 2 | |||
| 26 | A31869 | Стопорная гайка | 2 | |||
| 27 | A72361 | Дисковый нож | 2 | |||
| 28 | 28H3184 | Распорная втулка | 4 | 0.742" X 1.050" X 1-7/16" | ||
| 29 | A87781 | Ступица | 2 | |||
| 30 | N164309 | Втулка | 2 | |||
| key | PART NO. | PART NAME | QTY | SERIAL NO. | REMARKS | |
| 31 | N282054 | Шайба | 2 | |||
| 32 | 03M7246 | Болт | 8 | M10 X 60 | ||
| 33 | 14M7291 | Фланцевая гайка | 4 | M16 | ||
| 34 | 19M8485 | Винт с головкой | 6 | M16 X 90 | ||
| 35 | H135891 | Стопорная гайка | 8 | |||
| 36 | 19M7408 | Винт с головкой | 8 | M10 X 90 | ||
| 37 | AA83382 | Кронштейн | 1 | LH | ||
| AA83383 | Кронштейн | 1 | RH | |||
| 38 | AA83385 | Рама | 2 | |||
| 39 | AA77304 | Рукоять | 1 | RH | ||
| key | PART NO. | PART NAME | QTY | SERIAL NO. | REMARKS | |
| AA77305 | Рукоять | LH | ||||
| 40 | AA83389 | Скоба | 6 | |||
| 41 | AA84078 | Резиновая прокладка | 2 | |||
| 42 | AA88413 | Штифт | 2 | |||
| 43A | AA84329 | Штифт | 2 | ORDER AA88411 | ||
| 43B | AA88411 | Штифт | 2 | |||
| 44 | A101039 | Конич. роликов. подшипник | 8 | |||
| 45 | AA75846 | КОЛЕСО | 2 | |||
| 46 | A100979 | Шина | 2 | Tire, 4.8 X 8 6 Ply, Marker Disk Wheel | ||
| 47 | A100978 | КОЛЕСО | 2 | |||
| key | PART NO. | PART NAME | QTY | SERIAL NO. | REMARKS | |
| 48 | E14625 | Сальник | 4 | |||
| 49 | AA84333 | Ступица | 2 | |||
| 50 | A90631 | Ступица | 2 | |||
| 51 | AA84330 | Стойка | 1 | LH | ||
| AA84331 | Стойка | 1 | RH | |||
| 52 | N317705 | П-образный болт | 7 | |||
| 53 | A100661 | Амортизатор | 2 | |||
| 54 | AA83390 | Рукоять | 1 | LH | ||
| AA83391 | Рукоять | 1 | RH | |||
| 55 | AA83388 | Рукоять | 1 | |||
| key | PART NO. | PART NAME | QTY | SERIAL NO. | REMARKS | |
| 56 | JD7842 | Смазочная арматура | 6 | |||
| 57 | PF13017 | П-образный болт | 4 | |||
| 58 | AA75844 | КОЛЕСО | 2 | |||
| 59 | N52048 | Колпачок | 4 | |||
| 60 | A63664 | Гайка | 10 | |||
| 61 | A99489 | Пластина | 2 | SUB FOR A90646 | ||
| 62 | 19M3149 | Винт с головкой | 4 | M10 X 45 | ||
| 63 | A62151 | Распорная втулка | 2 | 13.520 X 19.050 X 18 mm (0.532" X 3/4" X 0.709") | ||
| 64 | AA88412 | Штифт | 2 | |||
| 65 | JD7820 | Смазочная арматура | 2 |
| key | PART NO. | PART NAME | QTY | SERIAL NO. | REMARKS | |
|---|---|---|---|---|---|---|
| 1 | AA83381 | Кронштейн | 1 | LH | ||
| AA83380 | Кронштейн | 1 | RH | |||
| 2 | 14M7276 | Гайка | 6 | M16 | ||
| 3 | 19M7759 | Винт с головкой | 6 | M16 X 60 |